Chery Tiggo
Руководство по
эксплуатации
Полезные
статьи
Advego - система покупки и продажи контента для сайтов, форумов и блогов

Технические характеристики тормозной системы

Технические характеристики тормозной системы автомобиля Chery Tiggo T11 (первое поколение, выпускалось примерно с 2005 по 2016 год)
Общая конструкция
Тип системы: Автомобиль оснащен двумя независимыми тормозными системами: рабочей (с гидравлическим приводом) и стояночной .
Передние тормоза: Дисковые вентилируемые .
Задние тормоза: Дисковые (невентилируемые/сплошные) .
Системы безопасности: В комплектацию входят антиблокировочная система (ABS) и система распределения тормозного усилия (EBD) .
Размеры тормозных дисков
Размеры могут незначительно отличаться в зависимости от года выпуска и конкретной модификации двигателя (1.6, 1.8, 2.0, 2.4):
Передние диски:
Диаметр: Наиболее распространенные размеры — 300 мм или 303 мм для новых типов дисков , . Также встречаются варианты диаметром 265 мм (старый тип) и 256 мм , .
Тип: Вентилируемые (internally vented) .
Толщина: Обычно составляет 24–25 мм для вентилируемых дисков , .
Высота: Около 46,5 мм .
Задние диски:
Диаметр: Стандартный диаметр составляет 303 мм (также встречается обозначение 302,8 мм) , .
Тип: Сплошные (solid), невентилируемые .
Толщина: Примерно 9 мм .
Высота: Около 62 мм .
Тормозные колодки
Передние колодки:
Толщина: около 17 мм .
Длина: примерно 132 мм, высота 55 мм .
Предназначены для дисков диаметром 300 мм .
Задние колодки:
Толщина: около 14 мм .
Высота: 54 мм, ширина варьируется в зависимости от производителя .
Некоторые комплекты оснащены акустическим датчиком износа .
Дополнительные элементы
Суппорты: Используются стандартные однопоршневые или многопоршневые суппорты (в стоке обычно однопоршневые плавающего типа), для которых доступны ремонтные комплекты (направляющие, пыльники, поршни) , .
Привод стояночного тормоза: Механический, действует на задние суппорты (через винтовой механизм внутри поршня или отдельный барабанный механизм внутри диска, в зависимости от specifics партии, но для T11 чаще всего реализован через задние дисковые суппорты) .
Примечание: При подборе запчастей рекомендуется проверять VIN-код автомобиля, так как в разные годы производства (особенно при переходе на рестайлинговые версии) диаметры дисков могли меняться с 265 мм на 300+ мм.

Дополненная информация о тормозной системе Chery Tiggo T11 с наглядными иллюстрациями основных узлов и схем.

Схема работы ABS и распределения усилий

На этой схеме показано гидравлическое устройство системы ABS (антиблокировочной системы). Она демонстрирует, как давление от главного тормозного цилиндра (MCS/MCP) распределяется между передними (FL, FR) и задними (RL, RR) колесами через систему клапанов и насосов для предотвращения блокировки колес при экстренном торможении.
Электрическая схема показывает подключение датчиков скорости вращения колес к блоку управления ABS, а также связь с индикаторной лампой на приборной панели.

Главный тормозной цилиндр (ГТЦ)

ГТЦ является основным элементом, создающим давление в системе. На фото ниже показан типичный узел для Chery Tiggo:
1 — Шток толкателя (соединяется с педалью тормоза).
5 — Бачок для тормозной жидкости с датчиком уровня.
7, 8, 9 — Выходные штуцеры для подключения тормозных магистралей к переднему и заднему контурам.

Передние тормозные механизмы

Передняя ось несет основную нагрузку при торможении, поэтому здесь установлены вентилируемые диски большей толщины.
Чертеж переднего диска:
Обратите внимание на внутреннюю полость для вентиляции (разрез слева) и размеры: диаметр обычно 263–303 мм, толщина 24–25 мм.
Внешний вид переднего диска:
Реальный вид детали с вентиляционными каналами по окружности.
Передний суппорт:
Металлический корпус суппорта, внутри которого перемещается поршень, прижимающий колодки к диску.
Передние тормозные колодки:
Комплект из 4 колодок (на два колеса). Обратите внимание на форму и наличие металлических пластин (скрипунов) для сигнализации об износе. Артикул часто встречается T11-3501080.
Задние тормозные механизмы
Задние диски на Tiggo T11 обычно сплошные (невентилируемые) и имеют меньшую толщину, но больший посадочный диаметр ("шляпку") для интеграции механизма стояночного тормоза.
Чертеж заднего диска:
Видно отсутствие внутренних каналов вентиляции и характерную высокую ступицу. Диаметр около 303 мм, толщина 9–10 мм.
Внешний вид заднего диска:
Хорошо видна массивная центральная часть, внутри которой скрыты колодки ручного тормоза.
Задние тормозные колодки:
Они меньше передних по площади трения. Часто имеют артикул T11-BJ3501080 или аналогичный.
Стояночный тормоз (Ручник)
Схема привода стояночного тормоза. Механический трос идет от рычага в салоне к задним суппортам. Внутри заднего суппорта или барабана (в зависимости от конструкции конкретной партии) находится механизм, который разводит колодки или прижимает поршень.
Также существует схема внутреннего устройства механизма ручника (колодки внутри "шляпки" диска), где видно расположение распорной планки и пружин.
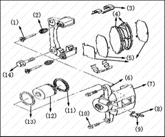
Взрыв-схема переднего суппорта
Детальная разборка узла для понимания состава ремкомплекта:
(1) Направляющая пальца.
(2) Пыльник направляющей.
(4) Тормозной диск.
(5) Тормозные колодки (внутренняя и наружная).
(6) Корпус суппорта.
(7) Скоба суппорта.
(11) Манжета (пыльник) поршня.
(12) Поршень.
Эти изображения помогут вам визуально идентифицировать детали при покупке запчастей или проведении ремонта.